首页 > 新闻资讯 > 集团要闻 > 四川德润钢铁集团航达钢铁有限责任公司(2025年4季度自行检测)
新闻资讯
联系我们

0818-6099999

地址:四川省达州市宣汉县普光经济开发区柳池工业园二号干道B区

邮箱:hd@drhdgt.com

网址:www.drhdgt.com

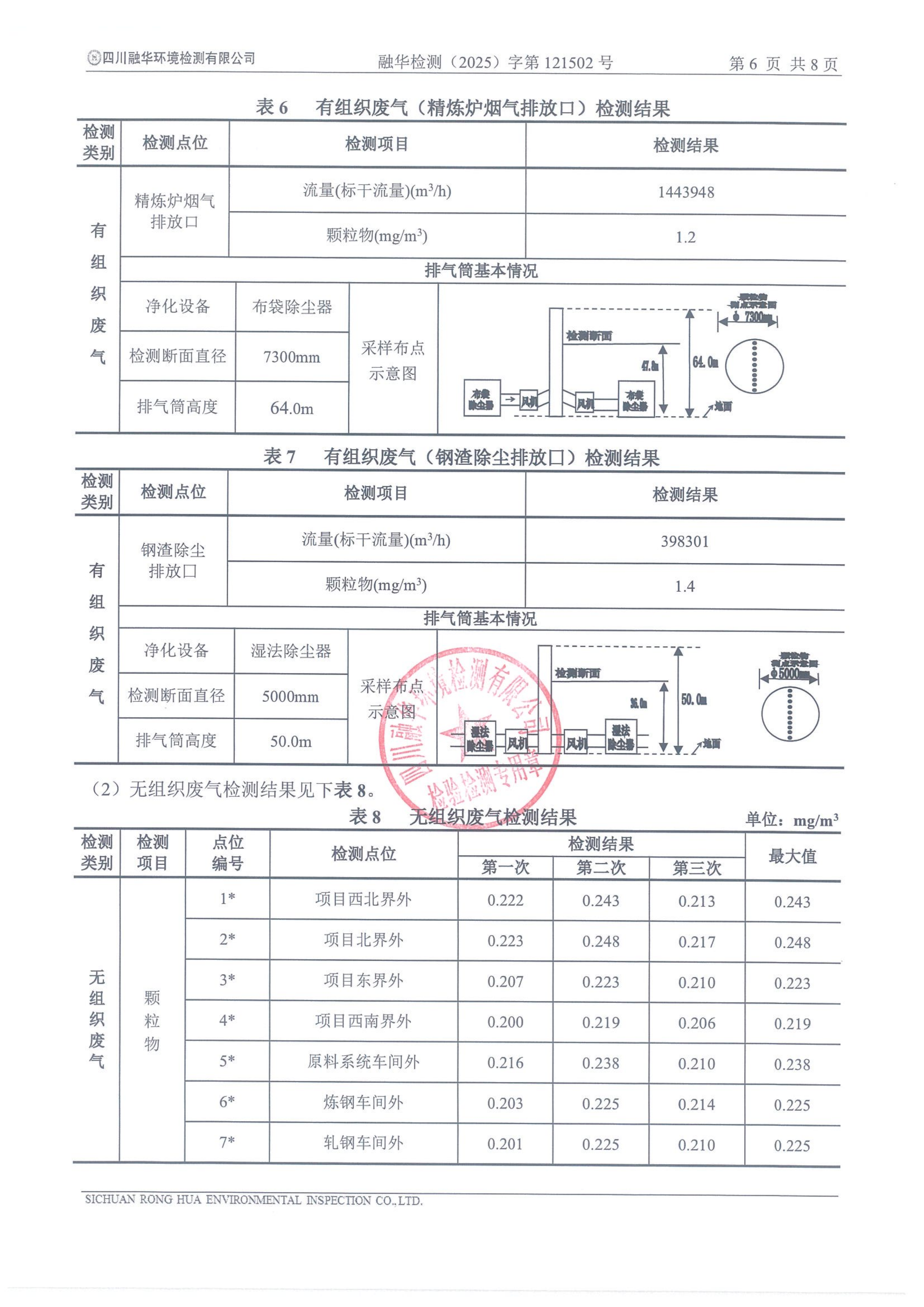
四川德润钢铁集团航达钢铁有限责任公司(2025年4季度自行检测)
发布时间:2025-12-25 | 访问量:30262

邮箱:
地址:
留言