首页 > 新闻资讯 > 集团要闻 > 德润航达钢铁2024年土壤自行检测报告
新闻资讯
联系我们

0818-6099999

地址:四川省达州市宣汉县普光经济开发区柳池工业园二号干道B区

邮箱:hd@drhdgt.com

网址:www.drhdgt.com

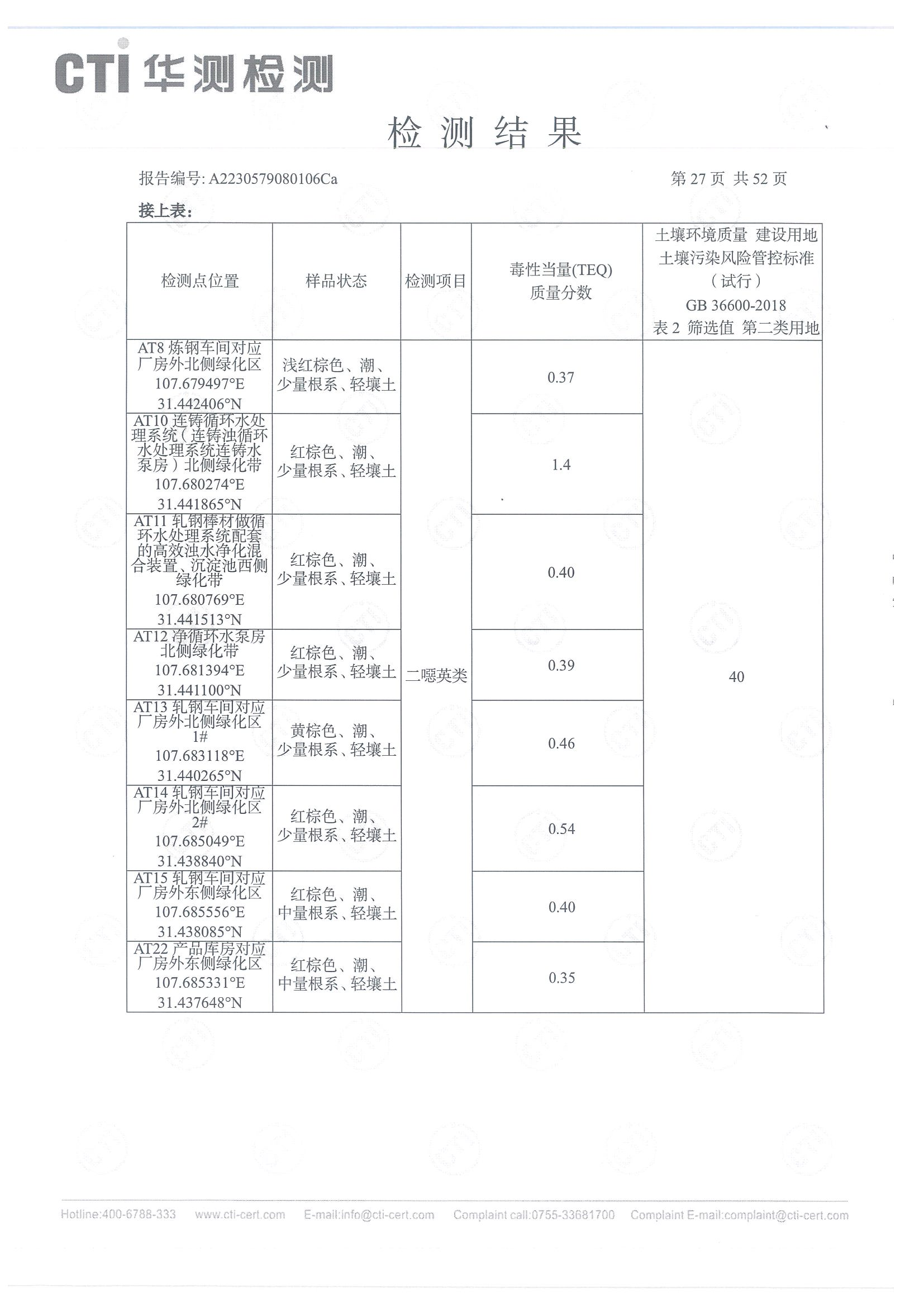
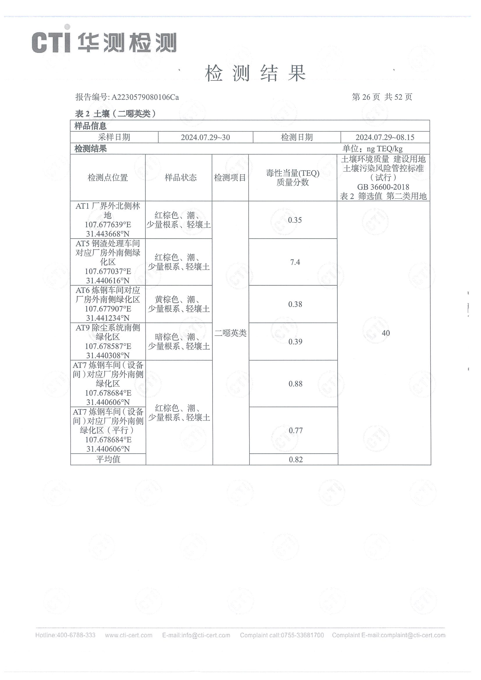
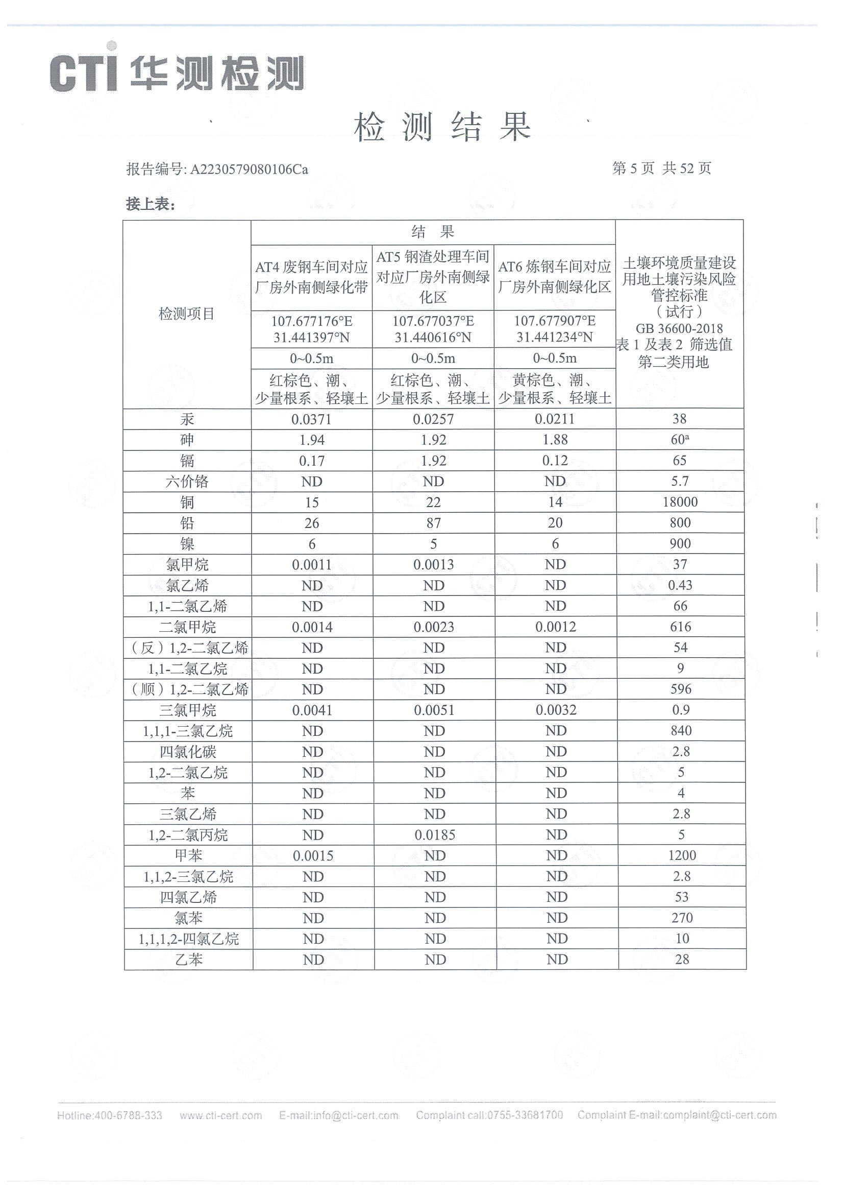
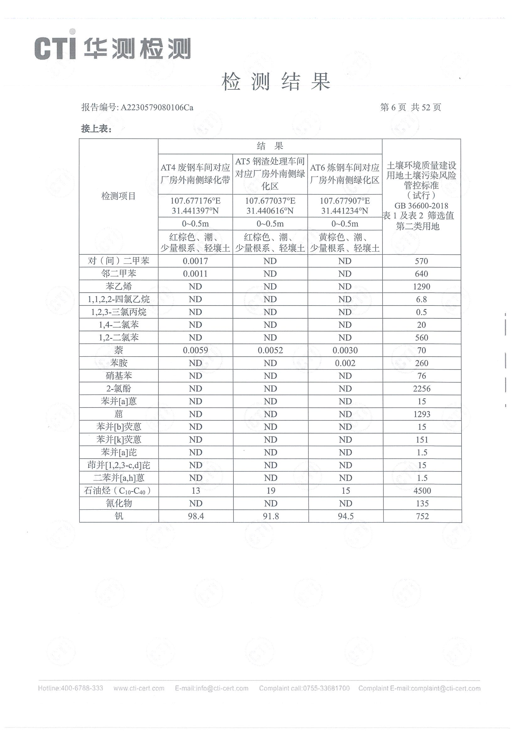
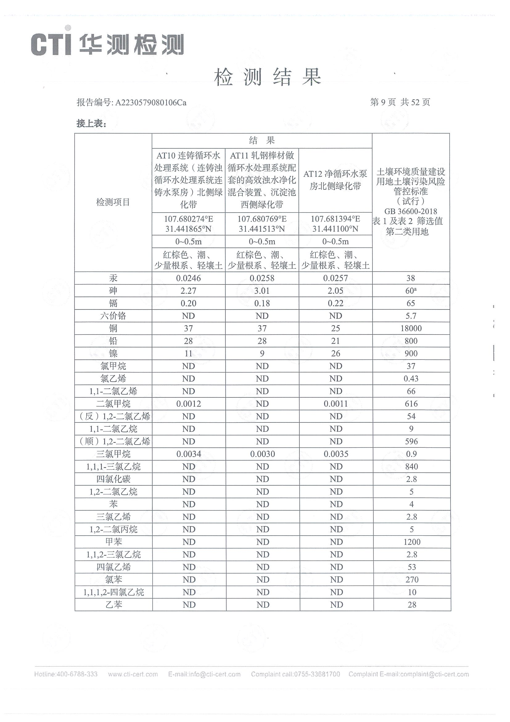
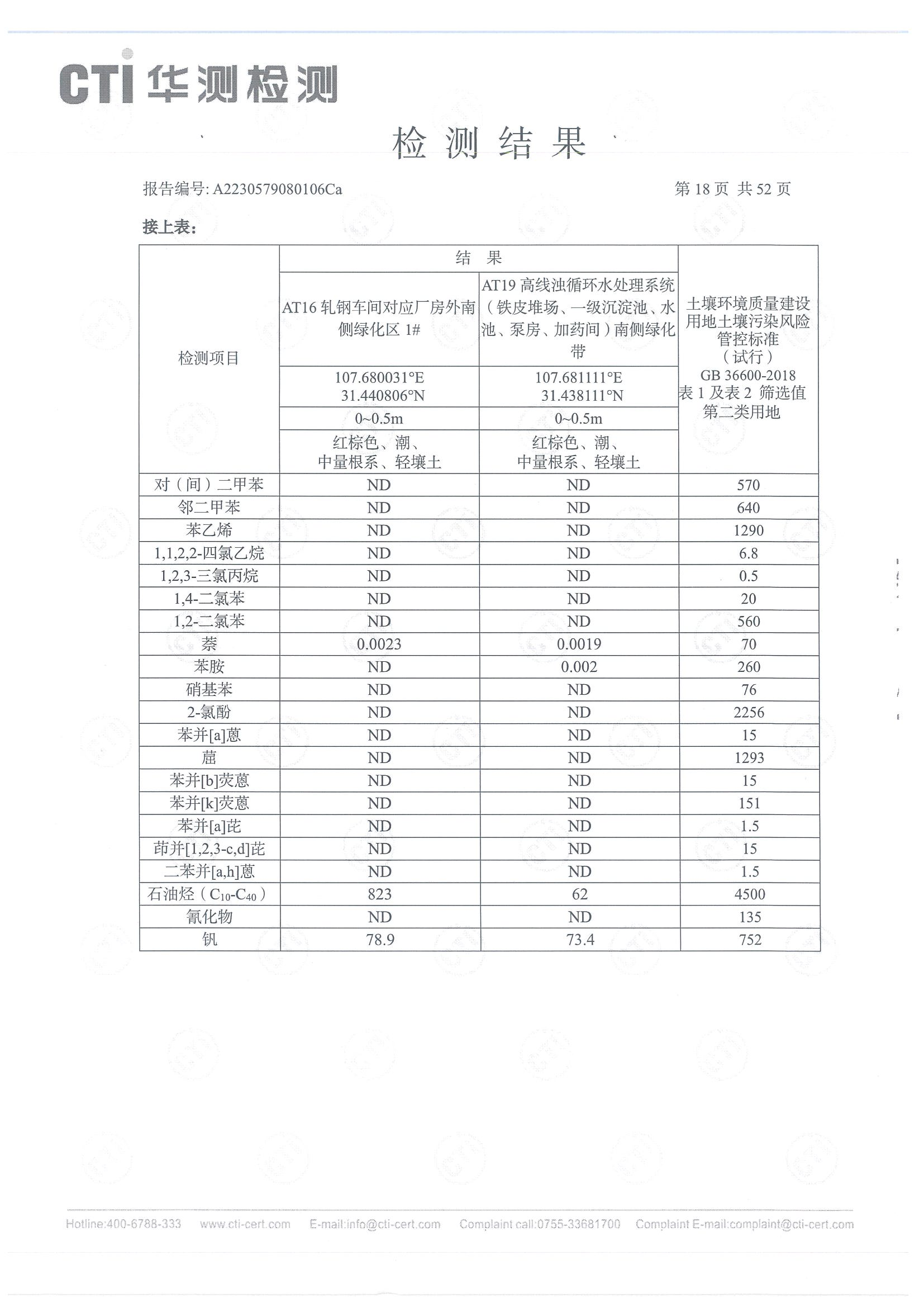
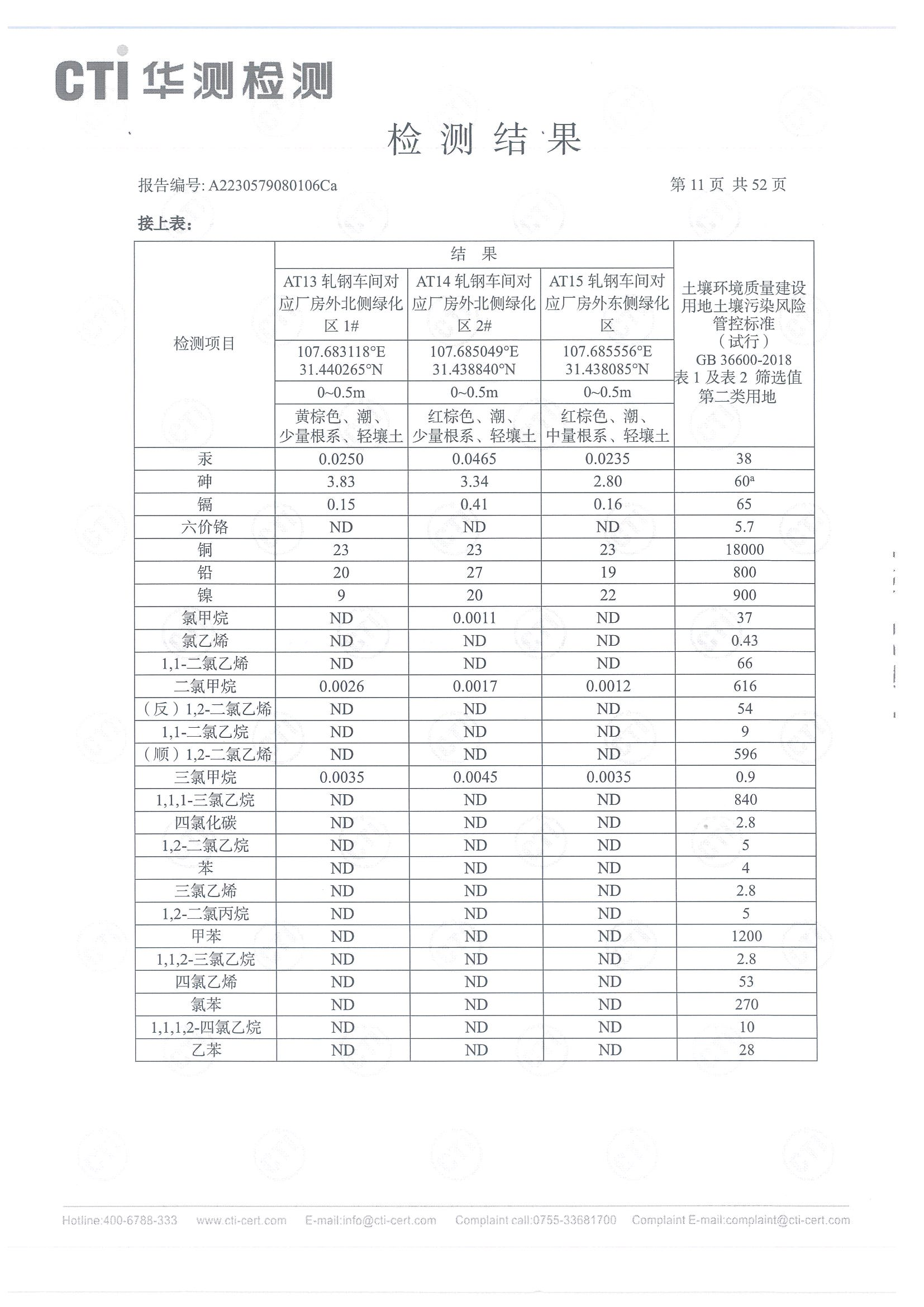
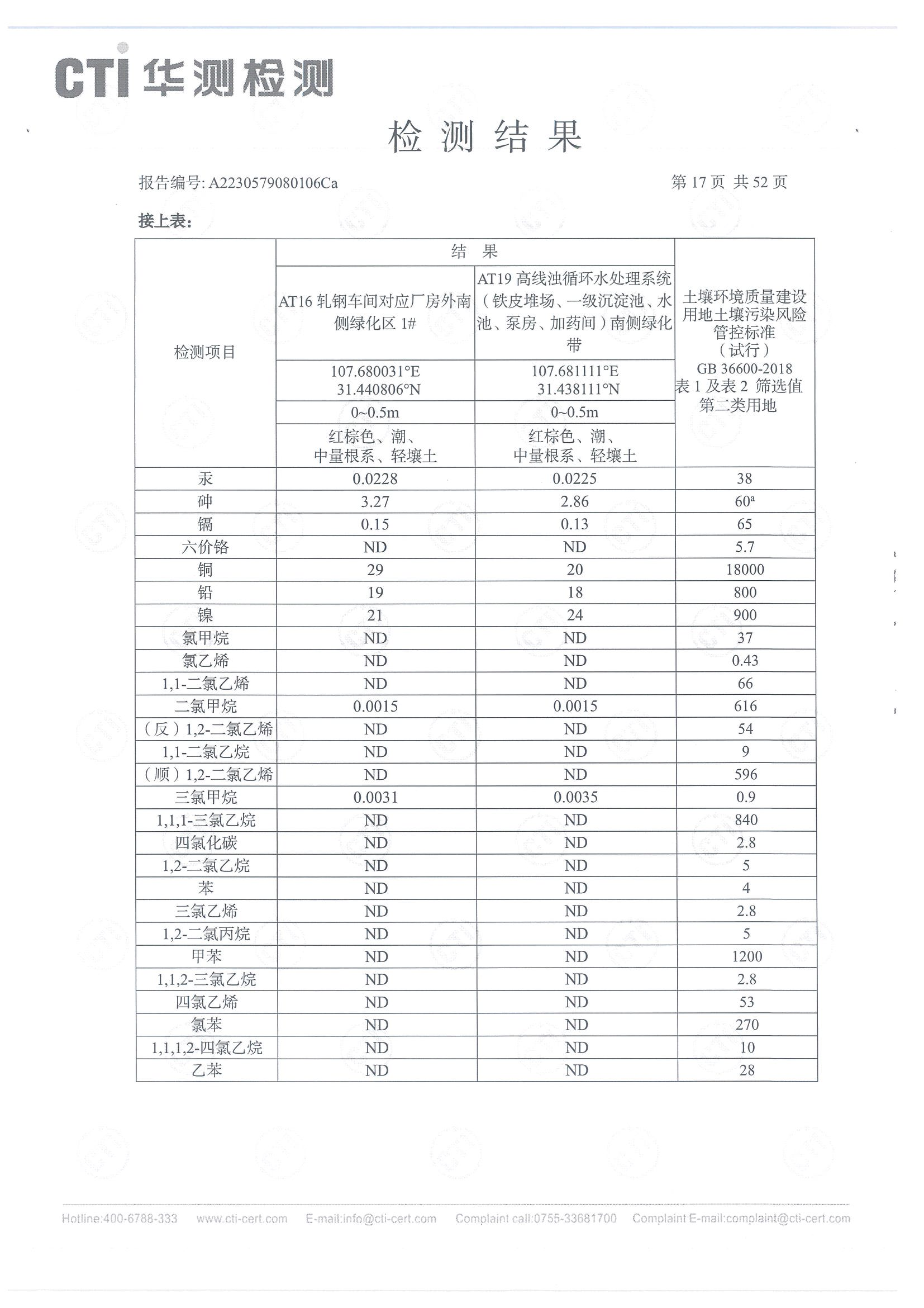
德润航达钢铁2024年土壤自行检测报告
发布时间:2024-09-15 | 访问量:5767

邮箱:
地址:
留言